Petroskills Logo
Blog

Category: Tip of the Month

The Competency Alliance is enabling organizations to adapt and grow as the global energy landscape evolves.

Blog Articles

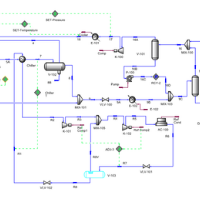
A Short Cut Method for Evaluating Molecular Sieve Performance

May 1, 2019
 |  Tip of the Month
This Tip of the Month shows how a Short Cut Method (SCM), after one Performance Test Run (PTR), may be used to estimate the life of a Type 4A molecular sieve dehydrating a water-saturated feed of natural gas.
View Article

Design and Operation of Unconventional Surface Facilities; Stabilization Issues

August 1, 2018
 |  Tip of the Month
This Tip of the Month (TOTM) discusses design and operational considerations of surface facilities for unconventional light oil shales.
View Article

Delivering Bad News to Stakeholders and Decision Makers

We all hate delivering bad project news, but this Tip of the Month will give you some tips to better communicate negative information to stakeholders and decision makers. Learn about five different types of project issues, managing project relationships and best practices for delivering bad news.
View Article

The Importance of Process Safety Specification Breaks

May 1, 2018
 |  Tip of the Month
This tip of the month (TOTM) explains specification breaks or spec breaks. It highlights why they are important in the design and operation of surface facilities in the hydrocarbon industry and how to avoid mistakes that can have catastrophic consequences.
View Article

Multiphase Flow Measurement - What is it?

March 1, 2018
 |  Tip of the Month
In this tip of the month (TOTM) we will review multiphase measurement, and examine the general impact of flow regime, water cut, salinity and flowing fluid density.
View Article

Optimum Feed Tray Location in an NGL Fractionation Column

February 1, 2018
 |  Tip of the Month
This tip of the month (TOTM) will demonstrate how to determine the optimum location of a feed tray in an NGL fractionation or distillation column by a short-cut method and the rigorous method using a process simulator. As an example, we will consider sizing a deethanizer by performing material and energy balances, distillation column short-cut calc...
View Article